How Do I Calculate My Log Splitter Tonnage Complete Guide

Best Math Formula website. Search anything about Math Formula in this website.

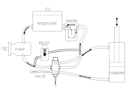
how do i calculate my log splitter tonnage. Do this with the calculator below by entering the gallons per minute rating on your hydraulic pump and the bore stroke and rod size of your hydraulic cylinder. YardMax 35 Ton HV Log Splitter - Half Beam - Gas Log Splitter.

Log Splitter Parts And Size Considerations Cylinder Services Inc
Log Splitter Parts And Size Considerations Cylinder Services Inc from www.cylinderservices.net

This tonnage requirement is independent of log size. Who is the manufacturer. Which means a log of 12 size but green would require 16 Ton capacity whereas the same log but dry would require 7 Ton capacity log splitter.

Rugged Hydraulics- The pump is designed with hydraulics that exert 3500 PSI in the cylinder.

Log splitters come in a wide range of tonnages anywhere from 4 or 5 tons up to 50- or 60-ton commercial units. YardMax 35 Ton HV Log Splitter - Gas Log Splitter. If you actually do have a disposable budget that allows you to buy a large and higher tonnage splitter then you probably wont go wrong in the long run. This will help determine what tonnage rating youll need.