Length Of Bolt Formula Complete Guide

Best Math Formula website. Search anything about Math Formula in this website.

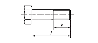
length of bolt formula. The size range differs from M16 through M100 and more depending on the bolt class. The chart and the detailed steps below explain the process of bolt length calculation.

Table Of Design Properties For Metric Steel Bolts M5 To M39 Eurocode 3
Table Of Design Properties For Metric Steel Bolts M5 To M39 Eurocode 3 from eurocodeapplied.com

ASTM A193 B16 Bolts. I need to calculate Outer Dia Inner Dia Thread Length and Total Length for the 304L Grade Stainless Steel U-Bolt. D p Pitch circle diameter of thread.

L e Length of Thread Engagement A t The screw thread tensile stress area d p Pitch circle diameter of thread A ss The thread shear area.

D Elongation in mm F t Axial stress applied psi MPa L B the effective bolt length in mm E Modulus of Elasticity psi MPa. I need to calculate Outer Dia Inner Dia Thread Length and Total Length for the 304L Grade Stainless Steel U-Bolt. The Stud Bolt theoretical length can be calculated by means of the formula. Minimum Length of Thread Engagement Formula and Calculations Per FED-STD.